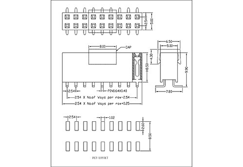
2,54 mm-es női fejléc, kétsoros SMT típus H8.5
Termékjellemzők FHEM14-XXX Márka: ANTENKIfelület típusa: AC/DCH Ház: MűanyagTű: Sárgaréz Rúd: Egyéb Alkalmazás: Egyéb Tanúsítvány: EgyébNem: Férfi Anyag: Sárgaréz Támogatókártya száma: EgyébMűködési frekvencia: Magas Frekvencia Osztályozás: Egyéb Ellátási képesség és...
Leírás
Termékjellemzők
Modellszám: FHEM14-XXX Márka: ANTENKIillesztőfelület típusa: D-SUB(VGA) Ház: MűanyagTű: Sárgaréz Rúd: 8-16Alkalmazás: Katonai Repülési Tanúsítvány: CEGnem: Nő Anyag: Sárgaréz Támogatási kártya száma: Minden egyben Működési frekvencia : High Frequency Classification: Finom Pitch csatlakozók
Ellátási lehetőségek és további információk
Csomagolás: TÁLCAS CSOMAGOLÁS és CSŐCSOMAGOLÁS Termelékenység: 100 KPCCS/hó Szállítás: Óceán, Levegő, EXPRESSZármazási hely: Kína Ellátási képesség: 1 Tanúsítvány: ISO9001-2015HS kód: 8536909000Fizetési típus: TÁVFÉSZTER, OBPayIncoWterm
Csomagolás és szállítás
Eladó egységek:
Táska/táskák
Csomag Típus:
TÁLCACSOMAGOLÁS és CSŐCSOMAGOLÁS
Gyártó: ANTENK ELECTRONICS.,CO LTD.
Kiváló minőség, versenyképes ár, gyors szállítás, gyors válasz. CE, Rohs, Reach sikeres.
A női fejléc egyfajta csatlakozó. Ez egyfajta univerzális csatlakozóeszköz, amelyet széles körben használnak az elektronikában, elektromos készülékekben, mérőműszerekben stb.
Az anya csatlakozó egy olyan típusú csatlakozó, amely egy jack csatlakozóból áll, amelybe egy apa csatlakozót lehet beilleszteni. Általában a kábel vagy más hardver végén található, így lehetővé válik két vagy több eszköz közötti biztonságos fizikai és elektromos kapcsolat. Az apa csatlakozó egy nemváltó eszközzel átalakítható anya csatlakozóvá és fordítva.

LEÍRÁS
Jelenlegi besorolás: 3.{1}} Amp
Szigetelési ellenállás: 1000M ohm min
Érintkezési ellenállás: 20M ohm max
Dielektromos ellenállás: AC500V
Üzemi hőmérséklet: -65 foktól plusz 125 fokig
Érintkező anyaga: sárgaréz
Szigetelő anyaga: PBT, UL 94V-0 Fekete
LEÍRÁS
Jelenlegi besorolás: 3.{1}} Amp
Szigetelési ellenállás: 1000M ohm min
Érintkezési ellenállás: 20M ohm max
Dielektromos ellenállás: AC500V
Üzemi hőmérséklet: -65 foktól plusz 125 fokig
Érintkező anyaga: sárgaréz
Szigetelő anyaga: PBT, UL 94V-0 Fekete
Az ANTENK komponensek ezen a programon kívül lehetőséget kínálnak a NYÁK-k szendvics stílusban egymásra történő csatlakoztatására úgynevezett "szendvics tűfejek" segítségével. Ezek a csatlakozók két szigetelőtesttel rendelkeznek (a szigetelő helyzete igény szerint rögzíthető), és mindkét érintkező végén a NYÁK-ba kell forrasztani. Az apa és anya fejlécek elérhetők egyenes vagy derékszögű érintkezőkkel, SMT (felületre szerelhető technológia) vagy THT (trough hole technology) érintkezőstílussal, különböző érintkezőhosszúságokkal, kerek vagy négyzetes érintkezőkkel. Az ASSMANN WSW komponensei a "polcprogram" mellett egy mintaszolgáltatást is kínálnak, amelyet kifejezetten a rövid távú tervezéshez telepítettek, a kiszállítás a megrendelés beérkezését követő 3-5 napon belül. A következő oldalakon a férfi és női fejlécek standard termékskálája látható. Ezen túlmenően számos speciális vagy egyedi fejléc áll rendelkezésre, illetve kérésre előállíthatók.
LEÍRÁS
Jelenlegi besorolás: 3.{1}} Amp
Szigetelési ellenállás: 1000M ohm min
Érintkezési ellenállás: 20M ohm max
Dielektromos ellenállás: AC500V
Üzemi hőmérséklet: -65 foktól plusz 125 fokig
Érintkező anyaga: sárgaréz
Szigetelő anyaga: PBT, UL 94V-0 Fekete
LEÍRÁS
Jelenlegi besorolás: 3.{1}} Amp
Szigetelési ellenállás: 1000M ohm min
Érintkezési ellenállás: 20M ohm max
Dielektromos ellenállás: AC500V
Üzemi hőmérséklet: -65 foktól plusz 125 fokig
Érintkező anyaga: sárgaréz
Szigetelő anyaga: PBT, UL 94V-0 Fekete
LEÍRÁS
Jelenlegi besorolás: 3.{1}} Amp
Szigetelési ellenállás: 1000M ohm min
Érintkezési ellenállás: 20M ohm max
Dielektromos ellenállás: AC500V
Üzemi hőmérséklet: -65 foktól plusz 125 fokig
Érintkező anyaga: sárgaréz
Szigetelő anyaga: PBT, UL 94V-0 Fekete
K: Mi a MOQ-ja?
V: Ha raktáron vannak a termékek, akkor nem lesz MOQ. Ha gyártanunk kell, megbeszélhetjük a MOQ-t az ügyfél pontos helyzete szerint.
K: Mennyi a szállítási idő?V: Az általános szállítási idő a rendelés visszaigazolása után 30-45 nap. Anther, ha van raktáron az áru, csak 1-2 napot vesz igénybe. K: Adsz mintát? Ingyenes?V: Ha a minta alacsony értékű, az ingyenes mintát szállítmánygyűjtéssel együtt biztosítjuk. Néhány nagy értékű minta esetében azonban be kell szednünk a mintadíjat.




A szálláslekérdezés elküldése
Akár ez is tetszhet









